Анкета Scy.thian

Каждый имеет право создать здесь ОДНУ тему, в которой можно написать о себе и выложить фото своего автомобиля. Комментарии приветствуются.
Ответить
  • Автор
  • Сообщение
Не в сети
Модератор
Модератор
Сообщения: 13525
Зарегистрирован: Ср апр 08, 2009 21:48 pm
Автомобиль: ГАЗ 2410, FAW 6371, Ока
Откуда: Москва
Благодарил (а): 96 раз
Поблагодарили: 863 раза

Re: Анкета Scy.thian

#31

Сообщение Mortis » Вт сен 14, 2010 18:06 pm

Scy.thian
Размеры толкателя снять с толкателя (диаметр 25мм, остальное не критично), допуски по внешнему диаметру есть в старых мануалах. Если бюджет за горло не берет, можно не городить начинку для наших, а заказать готовые штатовские гидротолкатели. На оллгазе была ветка на эту тему, по-моему.
_________________
Ибу ибуди - хуйдао муди!

Не в сети
Аватара пользователя
Заслуженный участник форума
Заслуженный участник форума
Сообщения: 5978
Зарегистрирован: Сб сен 04, 2010 20:38 pm
Автомобиль: ГАЗ 2410 1986 г.р.
Откуда: Украина . Дн-ская обл . Павлоград.
Благодарил (а): 20 раз
Поблагодарили: 238 раз

Re: Анкета Scy.thian

#32

Сообщение Scy.thian » Вт сен 14, 2010 18:18 pm

Вот-вот , это уже интересно . Ссылочки нет ? Что-то листаю-листаю , никак не попадается . Нашёл только на моцик МТ10 ставили ,
http://dnepromoto.com/dvigatel/tolkatel ... ortizator/
и УАЗ - заводские вроде-бы пробы .
http://forum.uazbuka.ru/showthread.php?t=23602&page=22
Но там ничего конкретного .
_________________
Моя анкета

Мысли не деньги, лишними не бывают.
К Прутков-инженер Мысль N 1

Не в сети
Модератор
Модератор
Сообщения: 13525
Зарегистрирован: Ср апр 08, 2009 21:48 pm
Автомобиль: ГАЗ 2410, FAW 6371, Ока
Откуда: Москва
Благодарил (а): 96 раз
Поблагодарили: 863 раза

Re: Анкета Scy.thian

#33

Сообщение Mortis » Вт сен 14, 2010 18:40 pm

Scy.thian
Да там толком ни о чем и не договорились, только возможности обсудили. На предмет самих гидротолкателей погугли по фразе hidraulic lifters.

Изображение
_________________
Ибу ибуди - хуйдао муди!

Не в сети
Аватара пользователя
Заслуженный участник форума
Заслуженный участник форума
Сообщения: 5978
Зарегистрирован: Сб сен 04, 2010 20:38 pm
Автомобиль: ГАЗ 2410 1986 г.р.
Откуда: Украина . Дн-ская обл . Павлоград.
Благодарил (а): 20 раз
Поблагодарили: 238 раз

Re: Анкета Scy.thian

#34

Сообщение Scy.thian » Вт сен 14, 2010 21:07 pm

Пасиб . Почти всё на английском...
Хоть я и "учил" в школе немецкий , но не токо немецкого , а ещё и английского не знаю...(и не токо английского :sad: )
_________________
Моя анкета

Мысли не деньги, лишними не бывают.
К Прутков-инженер Мысль N 1

Не в сети
Модератор
Модератор
Сообщения: 13525
Зарегистрирован: Ср апр 08, 2009 21:48 pm
Автомобиль: ГАЗ 2410, FAW 6371, Ока
Откуда: Москва
Благодарил (а): 96 раз
Поблагодарили: 863 раза

Re: Анкета Scy.thian

#35

Сообщение Mortis » Вт сен 14, 2010 21:46 pm

Ну, тут уж без вариантов, у нас таких не было и не будет.
_________________
Ибу ибуди - хуйдао муди!

Не в сети
Аватара пользователя
Освоившийся
Освоившийся
Сообщения: 406
Зарегистрирован: Чт июл 15, 2010 12:30 pm
Автомобиль: ГАЗ 2410 1989г
Откуда: Донецк
Благодарил (а): 4 раза
Поблагодарили: 7 раз

Re: Анкета Scy.thian

#36

Сообщение Xander » Чт сен 16, 2010 16:05 pm

Scy.thian

Привет, вопрос по поводу датчика ав. ур. топлива, а мигает оно засчёт чего, прыгающей стрелки???
_________________
Моя Ласточка

Не в сети
Аватара пользователя
Заслуженный участник форума
Заслуженный участник форума
Сообщения: 5978
Зарегистрирован: Сб сен 04, 2010 20:38 pm
Автомобиль: ГАЗ 2410 1986 г.р.
Откуда: Украина . Дн-ская обл . Павлоград.
Благодарил (а): 20 раз
Поблагодарили: 238 раз

Re: Анкета Scy.thian

#37

Сообщение Scy.thian » Чт сен 16, 2010 16:26 pm

Xander писал(а):Scy.thian

Привет, вопрос по поводу датчика ав. ур. топлива, а мигает оно засчёт чего, прыгающей стрелки???
:lol: Нет , в основном из-за поплавка датчика уровня топлива , колыхающегося вместе с бензином . При движении - мигает . Без движения - не умеет мигать . :nice:
И стрелка прыгает от этого .
_________________
Моя анкета

Мысли не деньги, лишними не бывают.
К Прутков-инженер Мысль N 1

Не в сети
Аватара пользователя
Освоившийся
Освоившийся
Сообщения: 406
Зарегистрирован: Чт июл 15, 2010 12:30 pm
Автомобиль: ГАЗ 2410 1989г
Откуда: Донецк
Благодарил (а): 4 раза
Поблагодарили: 7 раз

Re: Анкета Scy.thian

#38

Сообщение Xander » Чт сен 16, 2010 19:00 pm

ну я это в принципе и имел ввиду :nice: , спасибо !

А то вчера собрали схему, начали пробовать а лампочка просто загорается при определённом сопротивлении, и возник вопрос,когда она мигать должна)))))).
_________________
Моя Ласточка

Не в сети
Аватара пользователя
Заслуженный участник форума
Заслуженный участник форума
Сообщения: 5978
Зарегистрирован: Сб сен 04, 2010 20:38 pm
Автомобиль: ГАЗ 2410 1986 г.р.
Откуда: Украина . Дн-ская обл . Павлоград.
Благодарил (а): 20 раз
Поблагодарили: 238 раз

Re: Анкета Scy.thian

#39

Сообщение Scy.thian » Чт сен 16, 2010 19:14 pm

Xander писал(а):ну я это в принципе и имел ввиду :nice: , спасибо !

А то вчера собрали схему, начали пробовать а лампочка просто загорается при определённом сопротивлении, и возник вопрос,когда она мигать должна)))))).
Это правильно она работает .
_________________
Моя анкета

Мысли не деньги, лишними не бывают.
К Прутков-инженер Мысль N 1

Не в сети
Аватара пользователя
Заслуженный участник форума
Заслуженный участник форума
Сообщения: 5978
Зарегистрирован: Сб сен 04, 2010 20:38 pm
Автомобиль: ГАЗ 2410 1986 г.р.
Откуда: Украина . Дн-ская обл . Павлоград.
Благодарил (а): 20 раз
Поблагодарили: 238 раз

Re: Анкета Scy.thian

#40

Сообщение Scy.thian » Чт сен 16, 2010 20:10 pm

Немного о зарядке , генераторе , и реле . Скоро зима , думаю у многих возникнут вопросы .
Короче , гена у меня - сороковка . Естественно , при включении потребителей - наблюдалась просадка напряжения , как и у многих других авто .
Как-то проверяя несколько РР с помощью зарядного устройства , с плавной регулировкой , заметил , что они очень чётко переключаются в пределах напряжения стабилизации - 14,2...14,22 В. Почему-же в схеме авто нет стабильности ?
Причин оказалось несколько - это ухудшение переходных сопротивлений на контактных соединениях проводов (предохранители , ЗЗ , клемы РР , и т.д.) и несколько неправильное(на мой взгляд) подключение нагрузок .
Некоторую долю в общую нестабильность напряжения , вносят щётки генератора (точнее их сопротивление).
Все эти неприятности удалось обойти , несколько изменив схему включения мощных нагрузок (все мощные нагрузки включены напрямую ОТ(+) ГЕНЕРАТОРА ! Через предохранители - висячие ), и добавлением одного реле(разгрузочного) в цепи Реле Регулятора . Смысл в том , что-бы :разгрузить провод (+) РР , протянув (+) от АКБ .На этом проводе - происходит замер напряжения РРом , для коммутации тока возбуждения , если по нему не протекает никаких токов , кроме тока заряда - имеем стабильное напряжение на АКБ , 100% заряд АКБ (или близко к этому ) , и ессно , стабильную напругу в бортсети автомобиля .
. Прошлую зиму отъездил со стабильным напряжением - 14,22 вольта , не зависимо от нагрузки(фары , обогрев заднего стекла , вентилятор печки , ПТФ и иногда электрокарлсон) . Напряжение стабильно - с фарами от 750 об/мин , с фарами , обогревом и печкой -от 850...870 об/мин . При 900 об/мин и выше - все потребители - напруга стабильна . Если кому интересны нюансы - не вопрос .
_________________
Моя анкета

Мысли не деньги, лишними не бывают.
К Прутков-инженер Мысль N 1

Не в сети
Аватара пользователя
Освоившийся
Освоившийся
Сообщения: 406
Зарегистрирован: Чт июл 15, 2010 12:30 pm
Автомобиль: ГАЗ 2410 1989г
Откуда: Донецк
Благодарил (а): 4 раза
Поблагодарили: 7 раз

Re: Анкета Scy.thian

#41

Сообщение Xander » Пт сен 17, 2010 0:28 am

Scy.thian
Большое спасибо за схему датчика ав.ур.топлива. Сегодня у меня мёртвая лампочка под стрелкой уровня ожила :yahho: .У меня получился момент срабатывания лампочки на 10 литрах(начинает подмигивать). при установке нистолько мудохались со схемой сколько с поплавком :).
_________________
Моя Ласточка

FLO
Не в сети
Аватара пользователя
Заслуженный участник форума
Заслуженный участник форума
Сообщения: 1804
Зарегистрирован: Пн окт 29, 2007 11:29 am
Автомобиль: ГАЗ 24 1980
Благодарил (а): 47 раз
Поблагодарили: 25 раз

Re: Анкета Scy.thian

#42

Сообщение FLO » Пт сен 17, 2010 3:04 am

Xander писал(а): Если кому интересны нюансы
Конечно интересно!
_________________
ГАЗ 24, 1980 г.,24Д

ИзображениеИзображение

Не в сети
Аватара пользователя
Заслуженный участник форума
Заслуженный участник форума
Сообщения: 5978
Зарегистрирован: Сб сен 04, 2010 20:38 pm
Автомобиль: ГАЗ 2410 1986 г.р.
Откуда: Украина . Дн-ская обл . Павлоград.
Благодарил (а): 20 раз
Поблагодарили: 238 раз

Re: Анкета Scy.thian

#43

Сообщение Scy.thian » Пт сен 17, 2010 16:14 pm

FLO писал(а):
Xander писал(а): Если кому интересны нюансы
Конечно интересно!
Что именно ?
_________________
Моя анкета

Мысли не деньги, лишними не бывают.
К Прутков-инженер Мысль N 1

FLO
Не в сети
Аватара пользователя
Заслуженный участник форума
Заслуженный участник форума
Сообщения: 1804
Зарегистрирован: Пн окт 29, 2007 11:29 am
Автомобиль: ГАЗ 24 1980
Благодарил (а): 47 раз
Поблагодарили: 25 раз

Re: Анкета Scy.thian

#44

Сообщение FLO » Пт сен 17, 2010 16:29 pm

Да схемку было бы неплохо нарисовать для наглядности, так повторить будет проще,чем по описанию. Перерисовал и вперд :verynice:
_________________
ГАЗ 24, 1980 г.,24Д

ИзображениеИзображение

Не в сети
Аватара пользователя
Заслуженный участник форума
Заслуженный участник форума
Сообщения: 5978
Зарегистрирован: Сб сен 04, 2010 20:38 pm
Автомобиль: ГАЗ 2410 1986 г.р.
Откуда: Украина . Дн-ская обл . Павлоград.
Благодарил (а): 20 раз
Поблагодарили: 238 раз

Re: Анкета Scy.thian

#45

Сообщение Scy.thian » Пт сен 17, 2010 17:36 pm

FLO писал(а):Да схемку было бы неплохо нарисовать для наглядности, так повторить будет проще,чем по описанию. Перерисовал и вперд :verynice:
Ну, так вот по быстрому накидал , на схеме 2410 , если не понятно - нарисую отдельно .
Изображение
ЗЫ. Провода из фар - с клеммников снял , допаял 4мм2 гибким проводом , и впаралель соединил : дальний - левый с правым , и так-же ближний - левый с правым , обе ПТФ - и каждую пару на своё реле .
Пайка - во избежание дополнительных потерь на клеммных соединениях .
_________________
Моя анкета

Мысли не деньги, лишними не бывают.
К Прутков-инженер Мысль N 1

Не в сети
Аватара пользователя
Заслуженный участник форума
Заслуженный участник форума
Сообщения: 5978
Зарегистрирован: Сб сен 04, 2010 20:38 pm
Автомобиль: ГАЗ 2410 1986 г.р.
Откуда: Украина . Дн-ская обл . Павлоград.
Благодарил (а): 20 раз
Поблагодарили: 238 раз

Re: Анкета Scy.thian

#46

Сообщение Scy.thian » Пт сен 17, 2010 20:06 pm

Mortis писал(а):Scy.thian
Да там толком ни о чем и не договорились, только возможности обсудили. На предмет самих гидротолкателей погугли по фразе hidraulic lifters.

Изображение
Mortis , а это чьи гидрики ? Красивые...
_________________
Моя анкета

Мысли не деньги, лишними не бывают.
К Прутков-инженер Мысль N 1

FLO
Не в сети
Аватара пользователя
Заслуженный участник форума
Заслуженный участник форума
Сообщения: 1804
Зарегистрирован: Пн окт 29, 2007 11:29 am
Автомобиль: ГАЗ 24 1980
Благодарил (а): 47 раз
Поблагодарили: 25 раз

Re: Анкета Scy.thian

#47

Сообщение FLO » Пт сен 17, 2010 20:19 pm

Scy.thian писал(а):Пайка - во избежание дополнительных потерь на клеммных соединениях .
Категорически согласен :good:
За схему спасибо.
_________________
ГАЗ 24, 1980 г.,24Д

ИзображениеИзображение

Не в сети
Аватара пользователя
Заслуженный участник форума
Заслуженный участник форума
Сообщения: 5978
Зарегистрирован: Сб сен 04, 2010 20:38 pm
Автомобиль: ГАЗ 2410 1986 г.р.
Откуда: Украина . Дн-ская обл . Павлоград.
Благодарил (а): 20 раз
Поблагодарили: 238 раз

Re: Анкета Scy.thian

#48

Сообщение Scy.thian » Пт сен 17, 2010 20:27 pm

:regard: Не вопрос . Пожалуйста .
_________________
Моя анкета

Мысли не деньги, лишними не бывают.
К Прутков-инженер Мысль N 1

Не в сети
Аватара пользователя
Заслуженный участник форума
Заслуженный участник форума
Сообщения: 5978
Зарегистрирован: Сб сен 04, 2010 20:38 pm
Автомобиль: ГАЗ 2410 1986 г.р.
Откуда: Украина . Дн-ская обл . Павлоград.
Благодарил (а): 20 раз
Поблагодарили: 238 раз

Re: Анкета Scy.thian

#49

Сообщение Scy.thian » Сб сен 18, 2010 20:52 pm

:what: Есть такая мысль... Можно сделать схемку (не вопрос ) , которая-бы при торможении двигателем или при отпускании педали газа , подавала короткий (думаю около полсекунды хватит ) импульс на стоп-сигнал .
Смысл в том , что при экстренном торможении , мы сначала бросаем газ , и через мгновение нажимаем на тормоз.А иногда этого мгновения , как-раз и не хватает идущему сзади авто , для безопасного торможения ...
Как кто думает - польза будет от инсталляции такого девайса ?
Или только вред ? :crazy:
_________________
Моя анкета

Мысли не деньги, лишними не бывают.
К Прутков-инженер Мысль N 1

Не в сети
Заслуженный участник форума
Заслуженный участник форума
Сообщения: 5657
Зарегистрирован: Вт сен 05, 2006 15:19 pm
Откуда: , Сочи-А
Поблагодарили: 48 раз

Re: Анкета Scy.thian

#50

Сообщение DMAD » Сб сен 18, 2010 21:49 pm

, которая-бы при торможении двигателем или при отпускании педали газа , подавала короткий (думаю около полсекунды хватит ) импульс на стоп-сигнал .
Видел такое на меринах некоторых. Идея понравилась.

Можно взять блок ЭПХХ, а вместо(или параллельно) вакуумного клапана включить генератор импульсов и счётчик. Отпускаешь педаль газа - срабатывает блок ЭПХХ, от него запускается генератор импульсов и моргает фонарями, меандром, к примеру, а счётчик считает импульсы, и после пятого импульса отключает генератор.

Не в сети
Аватара пользователя
Заслуженный участник форума
Заслуженный участник форума
Сообщения: 5978
Зарегистрирован: Сб сен 04, 2010 20:38 pm
Автомобиль: ГАЗ 2410 1986 г.р.
Откуда: Украина . Дн-ская обл . Павлоград.
Благодарил (а): 20 раз
Поблагодарили: 238 раз

Re: Анкета Scy.thian

#51

Сообщение Scy.thian » Сб сен 18, 2010 21:54 pm

:sad: Во *** ... Всё уже придумали... До нас .
:nice: Можно проще сделать , без счётчиков и генераторов . На одном транзисторе таймер (или на 555-й) и реле . Сигнал на запуск- от микровыключателя закрытого положения заслонки (на ЭПХХ который работает ) , или замутить свой какой-нить .
Значит - положительно ?
Зы , таймерок на 555 с мигалкой получается простенький , есть готовый и испытанный образец . В качестве генератора импульсов :lol: - мигающий светодиод работает - "просто и со вкусом".ГЫ . Светодиод мона в салоне пристроить -типо индикации включения системы .
Последний раз редактировалось Scy.thian Сб сен 18, 2010 22:03 pm, всего редактировалось 1 раз.
_________________
Моя анкета

Мысли не деньги, лишними не бывают.
К Прутков-инженер Мысль N 1

Не в сети
Заслуженный участник форума
Заслуженный участник форума
Сообщения: 5657
Зарегистрирован: Вт сен 05, 2006 15:19 pm
Откуда: , Сочи-А
Поблагодарили: 48 раз

Re: Анкета Scy.thian

#52

Сообщение DMAD » Сб сен 18, 2010 22:01 pm

Блок ЭПХХ поможет привязать срабатывание именно к процессу торможения двигателем, когда педаль отпущена, а обороты находятся в определённом пределе, а не просто к крайнему положению педали.

Импульсы лучше сделать длинными, порядка 1-1,5 секунд.

Не в сети
Аватара пользователя
Заслуженный участник форума
Заслуженный участник форума
Сообщения: 5978
Зарегистрирован: Сб сен 04, 2010 20:38 pm
Автомобиль: ГАЗ 2410 1986 г.р.
Откуда: Украина . Дн-ская обл . Павлоград.
Благодарил (а): 20 раз
Поблагодарили: 238 раз

Re: Анкета Scy.thian

#53

Сообщение Scy.thian » Сб сен 18, 2010 22:06 pm

DMAD писал(а):Блок ЭПХХ поможет привязать срабатывание именно к процессу торможения двигателем, когда педаль отпущена, а обороты находятся в определённом пределе, а не просто к крайнему положению педали.

Импульсы лучше сделать длинными, порядка 1-1,5 секунд.
Оно то так , но при малых оборотах блок ЭПХХ не работает . :sad: А так с любых оборотов работает .
Изображение
Если сбросить газ при оборотах до 1600об/мин - не сработает от ЭПХХ .
А я часто езжу и на более низких оборотах , в особенности - зимой по гололёду .
Таки от положения заслонки нуно запускать .
_________________
Моя анкета

Мысли не деньги, лишними не бывают.
К Прутков-инженер Мысль N 1

Не в сети
Аватара пользователя
Заслуженный участник форума
Заслуженный участник форума
Сообщения: 5978
Зарегистрирован: Сб сен 04, 2010 20:38 pm
Автомобиль: ГАЗ 2410 1986 г.р.
Откуда: Украина . Дн-ская обл . Павлоград.
Благодарил (а): 20 раз
Поблагодарили: 238 раз

Re: Анкета Scy.thian

#54

Сообщение Scy.thian » Ср сен 22, 2010 18:38 pm

Подарил мне товаристчь два маслорадиатора нулячих (у него когда-то была Волга , сейчас нет) :dance: Думаю , а не заколхозить-ли ещё один , последовательно со штатным ? На лето - то нормально должно быть ? :mad:
_________________
Моя анкета

Мысли не деньги, лишними не бывают.
К Прутков-инженер Мысль N 1

Не в сети
Модератор
Модератор
Сообщения: 13525
Зарегистрирован: Ср апр 08, 2009 21:48 pm
Автомобиль: ГАЗ 2410, FAW 6371, Ока
Откуда: Москва
Благодарил (а): 96 раз
Поблагодарили: 863 раза

Re: Анкета Scy.thian

#55

Сообщение Mortis » Ср сен 22, 2010 19:23 pm

Scy.thian
Переохлажденное масло - тоже нихт гут.
_________________
Ибу ибуди - хуйдао муди!

Не в сети
Аватара пользователя
Заслуженный участник форума
Заслуженный участник форума
Сообщения: 5978
Зарегистрирован: Сб сен 04, 2010 20:38 pm
Автомобиль: ГАЗ 2410 1986 г.р.
Откуда: Украина . Дн-ская обл . Павлоград.
Благодарил (а): 20 раз
Поблагодарили: 238 раз

Re: Анкета Scy.thian

#56

Сообщение Scy.thian » Ср сен 22, 2010 19:41 pm

Mortis писал(а):Scy.thian
Переохлажденное масло - тоже нихт гут.
Да ? Не думаю , что оно летом буить переохлаждённое . Градусов на несколько ниже общая температура масла , немного лучше давка на горячую - не должно быть никаких проблем . по-моему мнению . :crazy:
Если по размерам влезет , попробую . Если чё , можно и отключить один , не снимая .
_________________
Моя анкета

Мысли не деньги, лишними не бывают.
К Прутков-инженер Мысль N 1

Не в сети
Аватара пользователя
Заслуженный участник форума
Заслуженный участник форума
Сообщения: 5978
Зарегистрирован: Сб сен 04, 2010 20:38 pm
Автомобиль: ГАЗ 2410 1986 г.р.
Откуда: Украина . Дн-ская обл . Павлоград.
Благодарил (а): 20 раз
Поблагодарили: 238 раз

Re: Анкета Scy.thian

#57

Сообщение Scy.thian » Вс сен 26, 2010 8:47 am

FLO писал(а):
Xander писал(а): Если кому интересны нюансы
Конечно интересно!
:dance: Уря-я-я !!!... :dance: Есть ! :dance: Есть ещё скрытые резервы в работе штатного электрооборудования .
Дык вот . Взял сегодня ещё раз мультиметр в руки . В смысле поиска скрытых резервов в электрооборудовании Ласточки .
Пришла мысль о токе возбуждения генератора , типо , всё-ли там по феншую ? Оказывается нет . Подозрения подтвердились . :mad:
Сама суть :
На одну из щёток генератора (+) приходит с замка зажигания. На вторую щётку , РР подключает массу через ключевой транзистор . Замеры показывают , что по щётке (+), от замка , имеется потеря напряжения в 1,12 Вольта ,а по "минусовой" щётке(вывод "Ш" РРа) - потеря напряжения составляет 1,23 Вольта( особенность РРа) . Буду лечить . "Проект" уже есть( :nice: родился уже) , осталось инсталлировать . Результат по выходному току генератора - после устранения потерь замеряю (есссно :nice: ) но прогноз самый оптимистичный - при устранении этих потерь в цепи возбуждения , снизится частота вращения генератора , при которой генератор начинает выдавать свой максимальный ток (40А) . И предполагаю, что это должно быть близко к минимально-возможным оборотам ХХ :mad: .
Последний раз редактировалось Scy.thian Вс сен 26, 2010 19:50 pm, всего редактировалось 1 раз.
_________________
Моя анкета

Мысли не деньги, лишними не бывают.
К Прутков-инженер Мысль N 1

Не в сети
Аватара пользователя
Заслуженный участник форума
Заслуженный участник форума
Сообщения: 3211
Зарегистрирован: Вт авг 04, 2009 19:28 pm
Автомобиль: Волга 21 Р 1968г.в,Волга 2412 1988 г.в.
Откуда: город Киров
Благодарил (а): 3 раза
Поблагодарили: 93 раза

Re: Анкета Scy.thian

#58

Сообщение RAV_21 » Вс сен 26, 2010 10:44 am

Scy.thian,релюху 4-х контактную на генератор куда вешать?
На провод РР,который идет к замку зажигания?

Не в сети
Аватара пользователя
Заслуженный участник форума
Заслуженный участник форума
Сообщения: 5978
Зарегистрирован: Сб сен 04, 2010 20:38 pm
Автомобиль: ГАЗ 2410 1986 г.р.
Откуда: Украина . Дн-ская обл . Павлоград.
Благодарил (а): 20 раз
Поблагодарили: 238 раз

Re: Анкета Scy.thian

#59

Сообщение Scy.thian » Вс сен 26, 2010 11:34 am

RAV_21 писал(а):Scy.thian,релюху 4-х контактную на генератор куда вешать?
На провод РР,который идет к замку зажигания?
Которая "реле дублёр(+)" ? Берёшь провод (+) с РРа вынимаешь , и одеваешь на вывод обмотки реле(№85) . Второй вывод обмотки(№86) реле - на массу . А на освободившуюся клему РРа (+ которая) , подаёшь (+) от АКБ , через контакт реле(№30 ;№ 87) .
Изображение
_________________
Моя анкета

Мысли не деньги, лишними не бывают.
К Прутков-инженер Мысль N 1

Не в сети
Аватара пользователя
Заслуженный участник форума
Заслуженный участник форума
Сообщения: 5978
Зарегистрирован: Сб сен 04, 2010 20:38 pm
Автомобиль: ГАЗ 2410 1986 г.р.
Откуда: Украина . Дн-ская обл . Павлоград.
Благодарил (а): 20 раз
Поблагодарили: 238 раз

Re: Анкета Scy.thian

#60

Сообщение Scy.thian » Вс сен 26, 2010 16:14 pm

Поставил токо-что ещё одну релюху . По плюсовой щётке . Разгрузил замок зажигания от тока возбуждения .Теперь уже полностью .
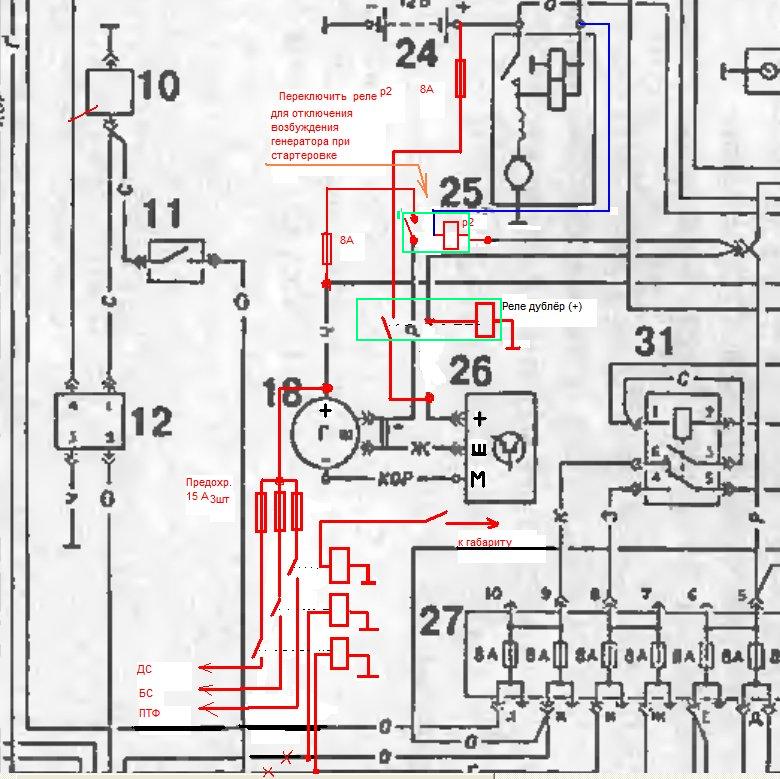
Есть эффект . :good: Зарядка начинается с сразу с запуском двигателя .Т.е. на ХХ . ХХ 480...500 об/мин . Причём 14,22 - стабильно . На 850 об/мин дальний свет (2х60 Вт , совместно с габаритами ) даёт "просадку" до 14,21 :dance:. Добавляю ПТФ (2х55 Вт ) :sad: падает на 0,5 вольта до 13,71(на 850 об/мин) .Свыше 1100 об/мин - 14,22 вольта с Фарами и ПТФ. Нуно добавить к РРу каскад на BUZ11 ( :nice: какой есть в наличи) , чтобы ещё со стороны РР устранить падение напряжения . Ну это следующий этап . А заодно , переключу установленное сегодня реле , на обмотку втягивающего (массовый вывод релюхи ) .Что-бы при работе стартера , отключался генератор . :mad:
Сейчас схема такая (красным добавлено ) А синий провод - для отключения возбуждения при стартеровке .
Ага..jpg
Последний раз редактировалось Scy.thian Вс ноя 21, 2010 22:44 pm, всего редактировалось 1 раз.
_________________
Моя анкета

Мысли не деньги, лишними не бывают.
К Прутков-инженер Мысль N 1
Ответить