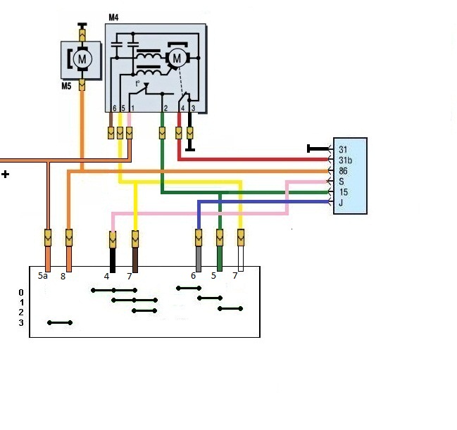
И снова здравствуйте. вот решил сделать себе следующее: мотор дворников 2410, переключатель от уАЗ таблетки и реле паузы. Есть схема (Медик Олег тут выкладывал). все вроде бы хорошо, но я не могу понять как определить в переключателе дворников УАЗ где какой контакт. Реле паузы все понятно, там подписано. В эл двигателе дворников тоже ясно примерно. А вот с переключателем беде. Нет там никаких обозначений. Может кто уже делал подобное и сможет меня проконсультировать? Схему прилагаю.
И еще момент: + в этой схеме откуда брать: от зажигания или постоянный?
Мотор дворников 2410, переключатель УАЗ и реле паузы в ГАЗ-2
- Автор
- Сообщение
-
Не в сети
- Волговод со стажем

- Сообщения: 1117
- Зарегистрирован: Ср дек 29, 2010 9:49 am
- Автомобиль: ГАЗ-24 1981 г.
- Откуда: Ростов-на-Дону и Шахты
- Поблагодарили: 9 раз
Мотор дворников 2410, переключатель УАЗ и реле паузы в ГАЗ-2
_________________
ГАЗ 24 1981 г. Белая, ЗМЗ-406, кпп, мосты, тормоза (ВУТ и ГЦТ Бош) и сиденья 3110, гур, переделанная проводка.
TOYOTA-УПРАВЛЯЙ МЕЧТОЙ
ВОЛГА-РУЛИ РЕАЛЬНОСТЬЮ
ГАЗ 24 1981 г. Белая, ЗМЗ-406, кпп, мосты, тормоза (ВУТ и ГЦТ Бош) и сиденья 3110, гур, переделанная проводка.
TOYOTA-УПРАВЛЯЙ МЕЧТОЙ
ВОЛГА-РУЛИ РЕАЛЬНОСТЬЮ
-
Не в сети
- Заслуженный участник форума

- Сообщения: 4938
- Зарегистрирован: Пт окт 05, 2007 10:54 am
- Автомобиль: ГАЗ-24, 77год. ВАЗ-1117.
- Откуда: Новочеркасск, Ростовская обл.
- Благодарил (а): 113 раз
- Поблагодарили: 242 раза
Re: Мотор дворников 2410, переключатель УАЗ и реле паузы в Г
Но и вопросов у тебя не так много! Контакты переключателя - если в инете нет картинок, то надо прозвонить его тестером. То есть найти какие ножки переключателя с какими замыкают, для каждого положения, и сопоставить с картинкой. Мотор дворника надо подключать по расположению штырьков в разъёме, или также прозвонить, так как цвета проводов на моторе могут быть произвольные - сталкивался. И собрать всё лучше на столе, проверить в работе.
Плюс в 24ке брался с АКБ, но я бы брал после замка, чтобы прилипшие к стеклу щётки не посадили бы батарею. А включать дворники без зажигания редко когда надо.
Плюс в 24ке брался с АКБ, но я бы брал после замка, чтобы прилипшие к стеклу щётки не посадили бы батарею. А включать дворники без зажигания редко когда надо.
_________________
ГАЗ-24, 77год, 290т.км. Без наворотов. В ожидании ремонта кузова...
ГАЗ-24, 77год, 290т.км. Без наворотов. В ожидании ремонта кузова...
-
Не в сети
- Волговод со стажем

- Сообщения: 1117
- Зарегистрирован: Ср дек 29, 2010 9:49 am
- Автомобиль: ГАЗ-24 1981 г.
- Откуда: Ростов-на-Дону и Шахты
- Поблагодарили: 9 раз
Re: Мотор дворников 2410, переключатель УАЗ и реле паузы в Г
Как понять "по расположению штырьков в раазъеме?" Разъем 6 штырьков? Нумерация как там принята?
И не могу понять по схеме выключателя: контакты 5а и 8 это те два папы, что прям из корпуса торчат?
И еще не могу понять, что значат точки в положении 0 перед четверкой и в положении 1 после 7. Точки есть, а провода не отходят от них?
Ты себе подобную конструкцию не делал?
И не могу понять по схеме выключателя: контакты 5а и 8 это те два папы, что прям из корпуса торчат?
И еще не могу понять, что значат точки в положении 0 перед четверкой и в положении 1 после 7. Точки есть, а провода не отходят от них?
Ты себе подобную конструкцию не делал?
_________________
ГАЗ 24 1981 г. Белая, ЗМЗ-406, кпп, мосты, тормоза (ВУТ и ГЦТ Бош) и сиденья 3110, гур, переделанная проводка.
TOYOTA-УПРАВЛЯЙ МЕЧТОЙ
ВОЛГА-РУЛИ РЕАЛЬНОСТЬЮ
ГАЗ 24 1981 г. Белая, ЗМЗ-406, кпп, мосты, тормоза (ВУТ и ГЦТ Бош) и сиденья 3110, гур, переделанная проводка.
TOYOTA-УПРАВЛЯЙ МЕЧТОЙ
ВОЛГА-РУЛИ РЕАЛЬНОСТЬЮ
-
Не в сети
- Заслуженный участник форума

- Сообщения: 4938
- Зарегистрирован: Пт окт 05, 2007 10:54 am
- Автомобиль: ГАЗ-24, 77год. ВАЗ-1117.
- Откуда: Новочеркасск, Ростовская обл.
- Благодарил (а): 113 раз
- Поблагодарили: 242 раза
Re: Мотор дворников 2410, переключатель УАЗ и реле паузы в Г
Да, это контакты кнопки стеклоомывателя.михаил с писал(а):контакты 5а и 8 это те два папы, что прям из корпуса торчат?
Возможно и провода есть, но на этой схеме не используются. Но я глянул на схему УАЗа 3151 и других, так у них схема переключателя чуть другая, а это похож на 24кин! А что за модель реле паузы и от чего? Я бы на твоём месте на машине сейчас собрал-бы по УАЗкиной схеме без паузы, зато работать будет.михаил с писал(а):И еще не могу понять, что значат точки в положении 0 перед четверкой и в положении 1 после 7. Точки есть, а провода не отходят от них?
У меня мотор 2410, переключатель родной 24й, и самодельная коробочка для согласования с функцией регулируемой паузы во втором положении. Скорость одна, так как положений мало у переключателя.михаил с писал(а):Ты себе подобную конструкцию не делал?
когда-то себе разрисовывал, поищу.михаил с писал(а):Разъем 6 штырьков? Нумерация как там принята?
_________________
ГАЗ-24, 77год, 290т.км. Без наворотов. В ожидании ремонта кузова...
ГАЗ-24, 77год, 290т.км. Без наворотов. В ожидании ремонта кузова...
-
Не в сети
- Волговод со стажем

- Сообщения: 1117
- Зарегистрирован: Ср дек 29, 2010 9:49 am
- Автомобиль: ГАЗ-24 1981 г.
- Откуда: Ростов-на-Дону и Шахты
- Поблагодарили: 9 раз
Re: Мотор дворников 2410, переключатель УАЗ и реле паузы в Г
Вот с этой ссылки брал идею. https://www.dropbox.com/sh/nrdaelf2bi5j ... Dfira?dl=0
Переключатель не 24, а от УАЗ буханки, но с доработками. Я пока свой не доработал.
Реле паузы точно сейчас не скажу, но производства Энергомаш вроде. На УАЗ 3160, м-2141 ставится. Поищу в инете его. это реле в Шахтах лежит у меня.
А схему нормальную УАЗ 3151 не подкинешь? А то я не могу что-то найти такую схему, где понятно как контакты переключателя соединить.
-- Чт авг 20, 2015 23:06 pm --
Схему вроде нашел, но там мотор дворников с одним конденсатором. А на 2410 с двумя. сколько вообще скоростей на дворниках 2410?
Переключатель не 24, а от УАЗ буханки, но с доработками. Я пока свой не доработал.
Реле паузы точно сейчас не скажу, но производства Энергомаш вроде. На УАЗ 3160, м-2141 ставится. Поищу в инете его. это реле в Шахтах лежит у меня.
А схему нормальную УАЗ 3151 не подкинешь? А то я не могу что-то найти такую схему, где понятно как контакты переключателя соединить.
-- Чт авг 20, 2015 23:06 pm --
Схему вроде нашел, но там мотор дворников с одним конденсатором. А на 2410 с двумя. сколько вообще скоростей на дворниках 2410?
Последний раз редактировалось михаил с Чт авг 20, 2015 23:06 pm, всего редактировалось 1 раз.
_________________
ГАЗ 24 1981 г. Белая, ЗМЗ-406, кпп, мосты, тормоза (ВУТ и ГЦТ Бош) и сиденья 3110, гур, переделанная проводка.
TOYOTA-УПРАВЛЯЙ МЕЧТОЙ
ВОЛГА-РУЛИ РЕАЛЬНОСТЬЮ
ГАЗ 24 1981 г. Белая, ЗМЗ-406, кпп, мосты, тормоза (ВУТ и ГЦТ Бош) и сиденья 3110, гур, переделанная проводка.
TOYOTA-УПРАВЛЯЙ МЕЧТОЙ
ВОЛГА-РУЛИ РЕАЛЬНОСТЬЮ
-
Не в сети
- Заслуженный участник форума

- Сообщения: 4938
- Зарегистрирован: Пт окт 05, 2007 10:54 am
- Автомобиль: ГАЗ-24, 77год. ВАЗ-1117.
- Откуда: Новочеркасск, Ростовская обл.
- Благодарил (а): 113 раз
- Поблагодарили: 242 раза
Re: Мотор дворников 2410, переключатель УАЗ и реле паузы в Г
На фото у тебя переключатель УАЗа, я не спорю. А вот на схеме, коммутация переключателя больше похожа на 24ную, если это схема доработанного УАЗовского - тоже не спорю.
Схему УАЗ-3151 глянул первую попавшуюся картинку по поисковому запросу, там видна структура переключателя.
-- 20 авг 2015 23:08 --
Конденсатор - деталь вспомогательная, для помехоподавления, на него не смотри. Если у мотору три щётки, значит две скорсти.
Схему УАЗ-3151 глянул первую попавшуюся картинку по поисковому запросу, там видна структура переключателя.
-- 20 авг 2015 23:08 --
Конденсатор - деталь вспомогательная, для помехоподавления, на него не смотри. Если у мотору три щётки, значит две скорсти.
_________________
ГАЗ-24, 77год, 290т.км. Без наворотов. В ожидании ремонта кузова...
ГАЗ-24, 77год, 290т.км. Без наворотов. В ожидании ремонта кузова...
-
Не в сети
- Волговод со стажем

- Сообщения: 1117
- Зарегистрирован: Ср дек 29, 2010 9:49 am
- Автомобиль: ГАЗ-24 1981 г.
- Откуда: Ростов-на-Дону и Шахты
- Поблагодарили: 9 раз
Re: Мотор дворников 2410, переключатель УАЗ и реле паузы в Г
Переключатель УАЗ не разборный вроде? Можно разобрать, но ломать надо.
вот я схему пристроил. Она пойдет?
-- Чт авг 20, 2015 23:13 pm --
Только тут 6 контактов, а у меня 8 вроде.
-- Пт авг 28, 2015 21:39 pm --
УАЗовский переключатель говна. Китай долбаный. Он греется сразу. Мы с Серым крутили вертели его, так и не смогли подключить. Да и положений на нем как на 24-м. Нет смысла его вкрячивать. Собрали без без реле паузы и на основе 24-го переключателя. Получилось: мотор дворников 2410, переключатель 24. Так же два режима: медленный и быстрый. Схему добавляю.
вот я схему пристроил. Она пойдет?
-- Чт авг 20, 2015 23:13 pm --
Только тут 6 контактов, а у меня 8 вроде.
-- Пт авг 28, 2015 21:39 pm --
УАЗовский переключатель говна. Китай долбаный. Он греется сразу. Мы с Серым крутили вертели его, так и не смогли подключить. Да и положений на нем как на 24-м. Нет смысла его вкрячивать. Собрали без без реле паузы и на основе 24-го переключателя. Получилось: мотор дворников 2410, переключатель 24. Так же два режима: медленный и быстрый. Схему добавляю.
- Вложения
-
- 4e332cs-960.jpg (79.76 КБ) 8096 просмотров
_________________
ГАЗ 24 1981 г. Белая, ЗМЗ-406, кпп, мосты, тормоза (ВУТ и ГЦТ Бош) и сиденья 3110, гур, переделанная проводка.
TOYOTA-УПРАВЛЯЙ МЕЧТОЙ
ВОЛГА-РУЛИ РЕАЛЬНОСТЬЮ
ГАЗ 24 1981 г. Белая, ЗМЗ-406, кпп, мосты, тормоза (ВУТ и ГЦТ Бош) и сиденья 3110, гур, переделанная проводка.
TOYOTA-УПРАВЛЯЙ МЕЧТОЙ
ВОЛГА-РУЛИ РЕАЛЬНОСТЬЮ

