Анкета vlad-chk,Волжаночка...
- Автор
- Сообщение
-
Не в сети
- Заслуженный участник форума

- Сообщения: 2239
- Зарегистрирован: Ср июл 04, 2012 22:22 pm
- Автомобиль: Газ 24 1985 г
- Телефон: 9648333888
- Откуда: Ниж.Новгород
- Благодарил (а): 12 раз
- Поблагодарили: 40 раз
-
Не в сети
- Заслуженный участник форума

- Сообщения: 2239
- Зарегистрирован: Ср июл 04, 2012 22:22 pm
- Автомобиль: Газ 24 1985 г
- Телефон: 9648333888
- Откуда: Ниж.Новгород
- Благодарил (а): 12 раз
- Поблагодарили: 40 раз
Re: Анкета vlad-chk,Волжаночка...
газель. причина одна была- некогда ждать, в каникулы хотел поставить охлаждение. А раньше хотел заказать японский, но тогда(когда было время ждать) денег не было(
-
Не в сети
- Заслуженный участник форума

- Сообщения: 2239
- Зарегистрирован: Ср июл 04, 2012 22:22 pm
- Автомобиль: Газ 24 1985 г
- Телефон: 9648333888
- Откуда: Ниж.Новгород
- Благодарил (а): 12 раз
- Поблагодарили: 40 раз
Re: Анкета vlad-chk,Волжаночка...
Итак, двигатель стоит, проводка подключена, выезжал. осталось убрать мозг в коробку под капот, заменить сопли в мозгах на нормальные фишки, залить антифриза G12 , прокачать ГУР, и наверное ,можно испытывать)
-
Не в сети
- Заглянувший

- Сообщения: 12
- Зарегистрирован: Вт мар 17, 2015 11:13 am
- Автомобиль: Газ 24 1972г.
- Откуда: Нижний Новгород
Re: Анкета vlad-chk,Волжаночка...
vlad-chk
Приветствую, я тоже с НН, тут в друзья можно как то добавлять?!
Приветствую, я тоже с НН, тут в друзья можно как то добавлять?!
-
Не в сети
- Заслуженный участник форума

- Сообщения: 5421
- Зарегистрирован: Ср май 31, 2006 0:56 am
- Автомобиль: UCV24
- Откуда: РФ, Шпили Village
- Благодарил (а): 250 раз
- Поблагодарили: 160 раз
- Контактная информация:
Re: Анкета vlad-chk,Волжаночка...
давай уже первый выезд! по выхлопу картинок нету, надеюсь родной 406 на менее затычный махнешь со временем?
_________________
Не купайтесь без белья в местах где щука клюёт на блесну
ГАЗ - сделано на глаз!
Сколько волка ни корми - у слона больше
Не купайтесь без белья в местах где щука клюёт на блесну
ГАЗ - сделано на глаз!
Сколько волка ни корми - у слона больше
-
Не в сети
- Заслуженный участник форума

- Сообщения: 2239
- Зарегистрирован: Ср июл 04, 2012 22:22 pm
- Автомобиль: Газ 24 1985 г
- Телефон: 9648333888
- Откуда: Ниж.Новгород
- Благодарил (а): 12 раз
- Поблагодарили: 40 раз
Re: Анкета vlad-chk,Волжаночка...
Конечно махну , хочу раздвоенный,но все со временем. Сейчас надо разобраться с акпп, нет 2 передачи , после 1 включает 3, да и мозг внутри весь в окислах, работает тоже хрен пойми как, после вых выложу видео))
-
Не в сети
- Заслуженный участник форума

- Сообщения: 2239
- Зарегистрирован: Ср июл 04, 2012 22:22 pm
- Автомобиль: Газ 24 1985 г
- Телефон: 9648333888
- Откуда: Ниж.Новгород
- Благодарил (а): 12 раз
- Поблагодарили: 40 раз
Re: Анкета vlad-chk,Волжаночка...
Привет) тут не знаю)Tars писал(а):vlad-chk
Приветствую, я тоже с НН, тут в друзья можно как то добавлять?!
-
Не в сети
- Заслуженный участник форума

- Сообщения: 5421
- Зарегистрирован: Ср май 31, 2006 0:56 am
- Автомобиль: UCV24
- Откуда: РФ, Шпили Village
- Благодарил (а): 250 раз
- Поблагодарили: 160 раз
- Контактная информация:
Re: Анкета vlad-chk,Волжаночка...
Если сама плата не в окислах то все ок с ним (выложи фото)
У тебя кажется по акпп вылазила ошибка, надо начать с нее...для начала снять фишку с блока соленоидов и вытереть масло
Плюс насколько я помню, ты проявлял самодеятельность и отступал от штатной тойотовской схемы при подключении....тогда как для первого запуска все должно быть максимально приближено к оригиналу. Проблем и без колхоза хватит.
У тебя кажется по акпп вылазила ошибка, надо начать с нее...для начала снять фишку с блока соленоидов и вытереть масло
Плюс насколько я помню, ты проявлял самодеятельность и отступал от штатной тойотовской схемы при подключении....тогда как для первого запуска все должно быть максимально приближено к оригиналу. Проблем и без колхоза хватит.
_________________
Не купайтесь без белья в местах где щука клюёт на блесну
ГАЗ - сделано на глаз!
Сколько волка ни корми - у слона больше
Не купайтесь без белья в местах где щука клюёт на блесну
ГАЗ - сделано на глаз!
Сколько волка ни корми - у слона больше
-
Не в сети
- Заслуженный участник форума

- Сообщения: 2239
- Зарегистрирован: Ср июл 04, 2012 22:22 pm
- Автомобиль: Газ 24 1985 г
- Телефон: 9648333888
- Откуда: Ниж.Новгород
- Благодарил (а): 12 раз
- Поблагодарили: 40 раз
Re: Анкета vlad-chk,Волжаночка...
Да, отступал, но вернул все как надо. фото скину. ах, да, там контакт А - два контакта, так вот, при подаче плюса на оба- двигатель троит пердит и так далее, но если плюс подаешь только на один, все работает как надо. Без соленоидов катался, 2 передачи все равно нет. Фишка чистейшая. На ЭБУ есть пару почерневших деталей((
-
Не в сети
- Заслуженный участник форума

- Сообщения: 5421
- Зарегистрирован: Ср май 31, 2006 0:56 am
- Автомобиль: UCV24
- Откуда: РФ, Шпили Village
- Благодарил (а): 250 раз
- Поблагодарили: 160 раз
- Контактная информация:
Re: Анкета vlad-chk,Волжаночка...
почернеть они могли в процессе подключения
выложи фото распиновки и что куда подавал - исправим
выложи фото распиновки и что куда подавал - исправим
_________________
Не купайтесь без белья в местах где щука клюёт на блесну
ГАЗ - сделано на глаз!
Сколько волка ни корми - у слона больше
Не купайтесь без белья в местах где щука клюёт на блесну
ГАЗ - сделано на глаз!
Сколько волка ни корми - у слона больше
-
Не в сети
- Заслуженный участник форума

- Сообщения: 2239
- Зарегистрирован: Ср июл 04, 2012 22:22 pm
- Автомобиль: Газ 24 1985 г
- Телефон: 9648333888
- Откуда: Ниж.Новгород
- Благодарил (а): 12 раз
- Поблагодарили: 40 раз
Re: Анкета vlad-chk,Волжаночка...

На ражиме 2 , это далеко не макисмум.

Юр, вот , оставил самое необходимое, остальное пока отключил. Поменял масло а АКПП,и все равно нет 2 передачи.С соленоидами на режиме D выкручиваю 1 передачу, после идет 4. при режиме 2 после 1 идет 3 , далее включаю режим 2 , скидываю соленоиды, но все равно она включает 3 передачу вместо 2. Что делать, хз..EFI изнутри не успел сфоткать.
-
Не в сети
- Заслуженный участник форума

- Сообщения: 5421
- Зарегистрирован: Ср май 31, 2006 0:56 am
- Автомобиль: UCV24
- Откуда: РФ, Шпили Village
- Благодарил (а): 250 раз
- Поблагодарили: 160 раз
- Контактная информация:
Re: Анкета vlad-chk,Волжаночка...
просто перечисли что куда ты дал
например N14 - постоянно от акб через пред
.....
например N14 - постоянно от акб через пред
.....
_________________
Не купайтесь без белья в местах где щука клюёт на блесну
ГАЗ - сделано на глаз!
Сколько волка ни корми - у слона больше
Не купайтесь без белья в местах где щука клюёт на блесну
ГАЗ - сделано на глаз!
Сколько волка ни корми - у слона больше
-
Не в сети
- Заслуженный участник форума

- Сообщения: 2239
- Зарегистрирован: Ср июл 04, 2012 22:22 pm
- Автомобиль: Газ 24 1985 г
- Телефон: 9648333888
- Откуда: Ниж.Новгород
- Благодарил (а): 12 раз
- Поблагодарили: 40 раз
Re: Анкета vlad-chk,Волжаночка...
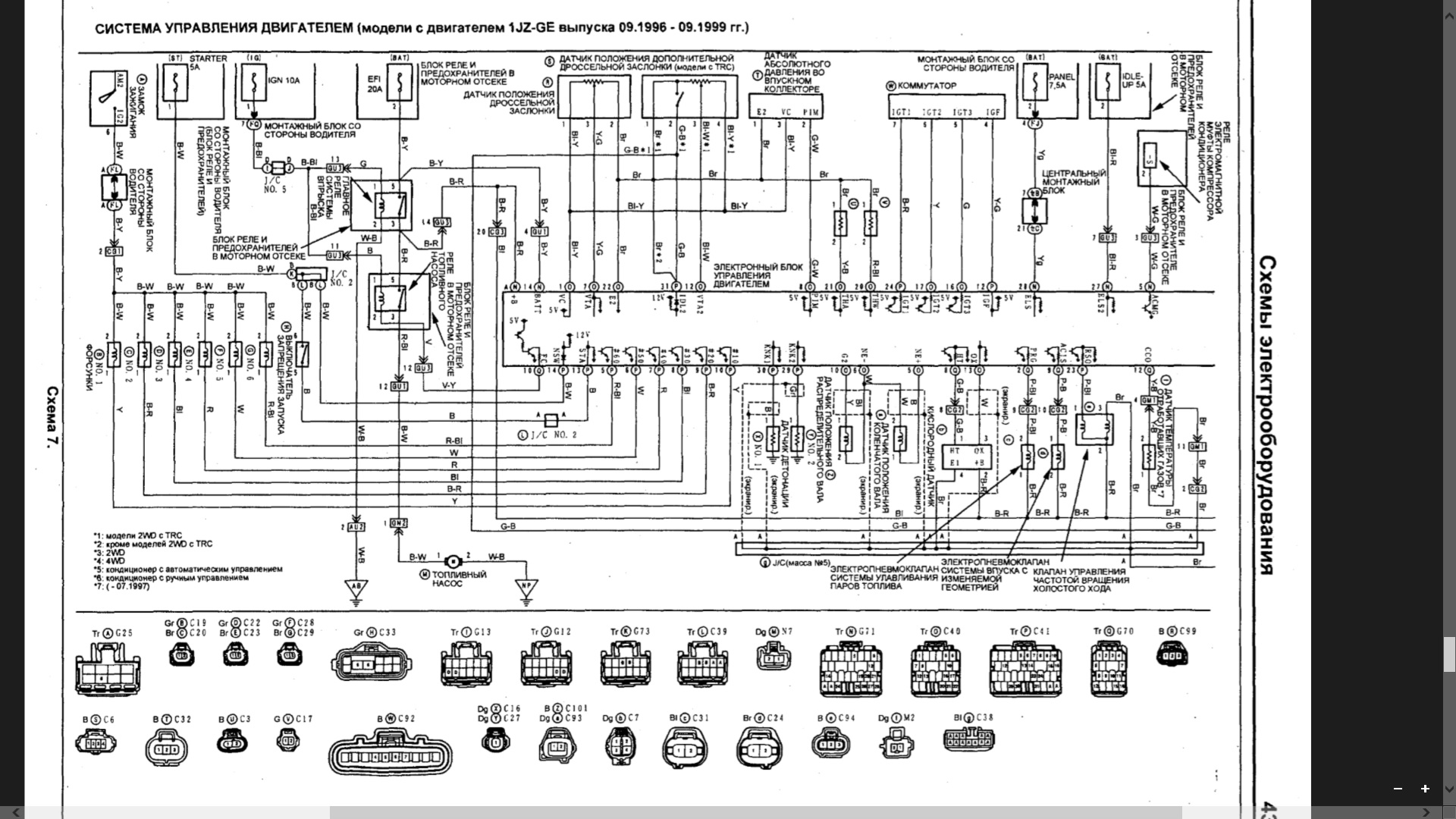
на 2 контакта A + ЗамЗажиг , Q10 -Б-н, реле . N24,Q16 на массу.После главного реле + пошел на толстый жерно -желтый провод, два черно-белых, и синий. Синий и черно-желтый - разветвитвляются в косе на много плюсов. а два ч/б - это форсы и катушки.
NSW и STA подключены вот так
NSW и STA подключены вот так

-
Не в сети
- Заслуженный участник форума

- Сообщения: 5421
- Зарегистрирован: Ср май 31, 2006 0:56 am
- Автомобиль: UCV24
- Откуда: РФ, Шпили Village
- Благодарил (а): 250 раз
- Поблагодарили: 160 раз
- Контактная информация:
Re: Анкета vlad-chk,Волжаночка...
цвета мне ни о чем не говорят
картинка корректная
подключение к эбу или ты описал не все или не хватает плюсов
картинка корректная
подключение к эбу или ты описал не все или не хватает плюсов
_________________
Не купайтесь без белья в местах где щука клюёт на блесну
ГАЗ - сделано на глаз!
Сколько волка ни корми - у слона больше
Не купайтесь без белья в местах где щука клюёт на блесну
ГАЗ - сделано на глаз!
Сколько волка ни корми - у слона больше
-
Не в сети
- Заслуженный участник форума

- Сообщения: 5421
- Зарегистрирован: Ср май 31, 2006 0:56 am
- Автомобиль: UCV24
- Откуда: РФ, Шпили Village
- Благодарил (а): 250 раз
- Поблагодарили: 160 раз
- Контактная информация:
Re: Анкета vlad-chk,Волжаночка...
как минимум постоянного питания не хватает от акб через пред на эбу
контакты "А" идут не напрямую на замок, а от АКБ через реле. Напрямую на замок только катушки и форсунки
также не хватает структурированности в описании
контакты "А" идут не напрямую на замок, а от АКБ через реле. Напрямую на замок только катушки и форсунки
также не хватает структурированности в описании
_________________
Не купайтесь без белья в местах где щука клюёт на блесну
ГАЗ - сделано на глаз!
Сколько волка ни корми - у слона больше
Не купайтесь без белья в местах где щука клюёт на блесну
ГАЗ - сделано на глаз!
Сколько волка ни корми - у слона больше
-
Не в сети
- Заслуженный участник форума

- Сообщения: 2239
- Зарегистрирован: Ср июл 04, 2012 22:22 pm
- Автомобиль: Газ 24 1985 г
- Телефон: 9648333888
- Откуда: Ниж.Новгород
- Благодарил (а): 12 раз
- Поблагодарили: 40 раз
Re: Анкета vlad-chk,Волжаночка...
Да, и вправду не хватает структурмрованности. Давай чтоб на пальцах не объяснять я схему нарисую , а ты поможешь исправить ?
-
Не в сети
- Заслуженный участник форума

- Сообщения: 5421
- Зарегистрирован: Ср май 31, 2006 0:56 am
- Автомобиль: UCV24
- Откуда: РФ, Шпили Village
- Благодарил (а): 250 раз
- Поблагодарили: 160 раз
- Контактная информация:
Re: Анкета vlad-chk,Волжаночка...
ок!
_________________
Не купайтесь без белья в местах где щука клюёт на блесну
ГАЗ - сделано на глаз!
Сколько волка ни корми - у слона больше
Не купайтесь без белья в местах где щука клюёт на блесну
ГАЗ - сделано на глаз!
Сколько волка ни корми - у слона больше
-
Не в сети
- Заслуженный участник форума

- Сообщения: 5421
- Зарегистрирован: Ср май 31, 2006 0:56 am
- Автомобиль: UCV24
- Откуда: РФ, Шпили Village
- Благодарил (а): 250 раз
- Поблагодарили: 160 раз
- Контактная информация:
Re: Анкета vlad-chk,Волжаночка...
плюс на катушки форсунки и акпп надо напрямую от замка через пред
не показан плюс на лямбды
не показана цепь нагрева от мозга на лямбду
не показана цепь управления от мозга на ACIS
не показан плюс на РХХ
не показан плюс на лямбды
не показана цепь нагрева от мозга на лямбду
не показана цепь управления от мозга на ACIS
не показан плюс на РХХ
_________________
Не купайтесь без белья в местах где щука клюёт на блесну
ГАЗ - сделано на глаз!
Сколько волка ни корми - у слона больше
Не купайтесь без белья в местах где щука клюёт на блесну
ГАЗ - сделано на глаз!
Сколько волка ни корми - у слона больше
-
Не в сети
- Заслуженный участник форума

- Сообщения: 2239
- Зарегистрирован: Ср июл 04, 2012 22:22 pm
- Автомобиль: Газ 24 1985 г
- Телефон: 9648333888
- Откуда: Ниж.Новгород
- Благодарил (а): 12 раз
- Поблагодарили: 40 раз
Re: Анкета vlad-chk,Волжаночка...
Хорошо, форсы и катушки переделаю . + на лямбду, и рхх показан, на схеме справа от реле Эбн. Там один плюс на лямбду, клапан хх, и асикс. Остальное все правильно ?
-
Не в сети
- Заслуженный участник форума

- Сообщения: 2239
- Зарегистрирован: Ср июл 04, 2012 22:22 pm
- Автомобиль: Газ 24 1985 г
- Телефон: 9648333888
- Откуда: Ниж.Новгород
- Благодарил (а): 12 раз
- Поблагодарили: 40 раз
Re: Анкета vlad-chk,Волжаночка...
Асикс подключил , просто забыл его указать )
Он открывается , закрывается , после 3-4 тыс
Он открывается , закрывается , после 3-4 тыс
-
Не в сети
- Заслуженный участник форума

- Сообщения: 5421
- Зарегистрирован: Ср май 31, 2006 0:56 am
- Автомобиль: UCV24
- Откуда: РФ, Шпили Village
- Благодарил (а): 250 раз
- Поблагодарили: 160 раз
- Контактная информация:
Re: Анкета vlad-chk,Волжаночка...
цепь нагрева от мозга до лямбды подключал?
остальное выглядит правильно
остальное выглядит правильно
_________________
Не купайтесь без белья в местах где щука клюёт на блесну
ГАЗ - сделано на глаз!
Сколько волка ни корми - у слона больше
Не купайтесь без белья в местах где щука клюёт на блесну
ГАЗ - сделано на глаз!
Сколько волка ни корми - у слона больше
-
Не в сети
- Заслуженный участник форума

- Сообщения: 2239
- Зарегистрирован: Ср июл 04, 2012 22:22 pm
- Автомобиль: Газ 24 1985 г
- Телефон: 9648333888
- Откуда: Ниж.Новгород
- Благодарил (а): 12 раз
- Поблагодарили: 40 раз
-
Не в сети
- Заслуженный участник форума

- Сообщения: 5421
- Зарегистрирован: Ср май 31, 2006 0:56 am
- Автомобиль: UCV24
- Откуда: РФ, Шпили Village
- Благодарил (а): 250 раз
- Поблагодарили: 160 раз
- Контактная информация:
Re: Анкета vlad-chk,Волжаночка...
ага
прозвони цепь нагрева на самой лямбде
прозвони цепь нагрева на самой лямбде
_________________
Не купайтесь без белья в местах где щука клюёт на блесну
ГАЗ - сделано на глаз!
Сколько волка ни корми - у слона больше
Не купайтесь без белья в местах где щука клюёт на блесну
ГАЗ - сделано на глаз!
Сколько волка ни корми - у слона больше




