Анкета Тарасевич
- Автор
- Сообщение
-
Не в сети
- Освоившийся

- Сообщения: 322
- Зарегистрирован: Вс авг 28, 2011 12:54 pm
- Автомобиль: ГАЗ-24 1984год 402
- Откуда: ДОНБАСС
- Благодарил (а): 4 раза
- Поблагодарили: 2 раза
Re: Анкета Тарасевич
Сегодня был под машиной и на переднем правом лонжероне увидел вот это!!!Я в печали!!!(((
_________________
Здоровый сон - это признак отсутствия интернета, будильника и жены.
http://www.gaz-24.com/forum/viewtopic.php?f=28&t=76009

Здоровый сон - это признак отсутствия интернета, будильника и жены.
http://www.gaz-24.com/forum/viewtopic.php?f=28&t=76009

-
Не в сети
- Освоившийся

- Сообщения: 322
- Зарегистрирован: Вс авг 28, 2011 12:54 pm
- Автомобиль: ГАЗ-24 1984год 402
- Откуда: ДОНБАСС
- Благодарил (а): 4 раза
- Поблагодарили: 2 раза
Re: Анкета Тарасевич
Уважаемые,подскажите:почему запотевают,причем изнутри,фары головного света?Можно ли с этим бороться?
Заранее благодарю.
Заранее благодарю.
_________________
Здоровый сон - это признак отсутствия интернета, будильника и жены.
http://www.gaz-24.com/forum/viewtopic.php?f=28&t=76009

Здоровый сон - это признак отсутствия интернета, будильника и жены.
http://www.gaz-24.com/forum/viewtopic.php?f=28&t=76009

-
Не в сети
- Освоившийся

- Сообщения: 406
- Зарегистрирован: Чт июл 15, 2010 12:30 pm
- Автомобиль: ГАЗ 2410 1989г
- Откуда: Донецк
- Благодарил (а): 4 раза
- Поблагодарили: 7 раз
Re: Анкета Тарасевич
Отсутствие герметичности. насколько сильно потеют? если лёгкой беленой, то не парься, как фары включаешь всё в момент сходит.
_________________
Моя Ласточка
Моя Ласточка
-
Не в сети
- Заслуженный участник форума

- Сообщения: 8478
- Зарегистрирован: Чт апр 09, 2009 20:37 pm
- Автомобиль: ГАЗ 21И 1961г.
- Откуда: CCCР Три шурупа.
- Благодарил (а): 17 раз
- Поблагодарили: 73 раза
Re: Анкета Тарасевич
Раньше немного БСК в фары заливали, или тосол.Тарасевич писал(а):Можно ли с этим бороться?
-
Не в сети
- Освоившийся

- Сообщения: 322
- Зарегистрирован: Вс авг 28, 2011 12:54 pm
- Автомобиль: ГАЗ-24 1984год 402
- Откуда: ДОНБАСС
- Благодарил (а): 4 раза
- Поблагодарили: 2 раза
Re: Анкета Тарасевич
В одной крупные капли на рассеивателе.И герметичностью там не пахнет.Вот если бы блок-фара....Место посадки-то железо по железу.Xander писал(а):Отсутствие герметичности. насколько сильно потеют? если лёгкой беленой, то не парься, как фары включаешь всё в момент сходит.
-- Чт янв 12, 2012 19:23 pm --
А если стык лампы и фары герметиком замазать?Латыш писал(а):Раньше немного БСК в фары заливали, или тосол.
_________________
Здоровый сон - это признак отсутствия интернета, будильника и жены.
http://www.gaz-24.com/forum/viewtopic.php?f=28&t=76009

Здоровый сон - это признак отсутствия интернета, будильника и жены.
http://www.gaz-24.com/forum/viewtopic.php?f=28&t=76009

-
Не в сети
- Заслуженный участник форума

- Сообщения: 8478
- Зарегистрирован: Чт апр 09, 2009 20:37 pm
- Автомобиль: ГАЗ 21И 1961г.
- Откуда: CCCР Три шурупа.
- Благодарил (а): 17 раз
- Поблагодарили: 73 раза
Re: Анкета Тарасевич
А че это даст, если влага попадает между стеклом и отражателем.Тарасевич писал(а):А если стык лампы и фары герметиком замазать?
-
Не в сети
- Освоившийся

- Сообщения: 322
- Зарегистрирован: Вс авг 28, 2011 12:54 pm
- Автомобиль: ГАЗ-24 1984год 402
- Откуда: ДОНБАСС
- Благодарил (а): 4 раза
- Поблагодарили: 2 раза
Re: Анкета Тарасевич
А я их полностью герметиком замастырю)))Латыш писал(а):А че это даст, если влага попадает между стеклом и отражателем.
_________________
Здоровый сон - это признак отсутствия интернета, будильника и жены.
http://www.gaz-24.com/forum/viewtopic.php?f=28&t=76009

Здоровый сон - это признак отсутствия интернета, будильника и жены.
http://www.gaz-24.com/forum/viewtopic.php?f=28&t=76009

-
Не в сети
- Освоившийся

- Сообщения: 322
- Зарегистрирован: Вс авг 28, 2011 12:54 pm
- Автомобиль: ГАЗ-24 1984год 402
- Откуда: ДОНБАСС
- Благодарил (а): 4 раза
- Поблагодарили: 2 раза
Re: Анкета Тарасевич
Отчет №....Умерла АКБ.Получится ли воскресить-х.з.!Завтра еду к электрику,т.к. батарея умирала долго и мучительно-подозреваю,что накосячили,когда ставили сигналку.До этого,ведь,нормально держала зарядку,и стартер крутила-н.х.д.!Так,что-будем посмотреть....
_________________
Здоровый сон - это признак отсутствия интернета, будильника и жены.
http://www.gaz-24.com/forum/viewtopic.php?f=28&t=76009

Здоровый сон - это признак отсутствия интернета, будильника и жены.
http://www.gaz-24.com/forum/viewtopic.php?f=28&t=76009

-
Не в сети
- Волговод со стажем

- Сообщения: 1232
- Зарегистрирован: Пт окт 16, 2009 20:27 pm
- Автомобиль: Suzuki SX4
- Откуда: Украина, Донецк -> Днепр -> Киев
- Благодарил (а): 46 раз
- Поблагодарили: 30 раз
Re: Анкета Тарасевич
Коллега, дай пятьТарасевич писал(а):Умерла АКБ.Получится ли воскресить-х.з.
у меня в пятницу аккум умер уже окончательно.
первый раз он умер еще до НГ, частично заменил электролит и продлил ему жизнь на месяц, а с пятницы пошли морозы... ну и помер
хотя с плотностью 1.21-1.22 я ничего другого не ожидал
_________________
Suzuki New SX4, 2018, 1.6i, AT, ГБО Zenit, Красный перламутр
Suzuki New SX4, 2018, 1.6i, AT, ГБО Zenit, Красный перламутр
-
Не в сети
- Волговод со стажем

- Сообщения: 1009
- Зарегистрирован: Ср ноя 18, 2009 19:26 pm
- Автомобиль: 24-10, 1991
- Откуда: Н. Новгород
- Благодарил (а): 36 раз
- Поблагодарили: 35 раз
Re: Анкета Тарасевич
А, может, силикагеля туда бросить? Быстро, просто, ничего придумывать не надо..Тарасевич писал(а):А я их полностью герметиком замастырю)))Латыш писал(а):А че это даст, если влага попадает между стеклом и отражателем.
_________________
Чудеса современной технологии включают в себя изобретение пивной банки, которая, будучи выброшенной, пролежит в земле вечно, и дорогого автомобиля, который при надлежащей эксплуатации заржавеет через два-три года.
Чудеса современной технологии включают в себя изобретение пивной банки, которая, будучи выброшенной, пролежит в земле вечно, и дорогого автомобиля, который при надлежащей эксплуатации заржавеет через два-три года.
-
Не в сети
- Освоившийся

- Сообщения: 322
- Зарегистрирован: Вс авг 28, 2011 12:54 pm
- Автомобиль: ГАЗ-24 1984год 402
- Откуда: ДОНБАСС
- Благодарил (а): 4 раза
- Поблагодарили: 2 раза
Re: Анкета Тарасевич
Склоняюсь к этому варианту!24-10 '91 писал(а):А, может, силикагеля туда бросить? Быстро, просто, ничего придумывать не надо..
Хорошая новость-Был у электроника,косяков не обнаружено.Вчера кумуль ставил на зарядку(всю ночь заряжался),стартер крутит бодрячком!Померял плотность-слабенькая.Электрон сказал погонять на маленьком токе-нагнать плотность.Смотрел рассол-чистый.Потребление тока,при выключенном зажигании ~ 0.12 А.Будем экспериментировать дальше.
_________________
Здоровый сон - это признак отсутствия интернета, будильника и жены.
http://www.gaz-24.com/forum/viewtopic.php?f=28&t=76009

Здоровый сон - это признак отсутствия интернета, будильника и жены.
http://www.gaz-24.com/forum/viewtopic.php?f=28&t=76009

-
Не в сети
- Освоившийся

- Сообщения: 322
- Зарегистрирован: Вс авг 28, 2011 12:54 pm
- Автомобиль: ГАЗ-24 1984год 402
- Откуда: ДОНБАСС
- Благодарил (а): 4 раза
- Поблагодарили: 2 раза
Re: Анкета Тарасевич
Блин,когда уже весна???Машина офигевшая,она никогда таких морозов не видела))).
Успокоил её,сказал,что когда потеплеет,будем вживлять вот это...


Успокоил её,сказал,что когда потеплеет,будем вживлять вот это...


_________________
Здоровый сон - это признак отсутствия интернета, будильника и жены.
http://www.gaz-24.com/forum/viewtopic.php?f=28&t=76009

Здоровый сон - это признак отсутствия интернета, будильника и жены.
http://www.gaz-24.com/forum/viewtopic.php?f=28&t=76009

-
Не в сети
- Освоившийся

- Сообщения: 448
- Зарегистрирован: Ср ноя 24, 2010 19:46 pm
- Автомобиль: ГАЗ 24 1982г.в.
- Откуда: Коми, г.Воркута
- Благодарил (а): 1 раз
- Поблагодарили: 20 раз
Re: Анкета Тарасевич
Компонентные надо было на перед брать. Куда ставить будешь?
_________________
Автомобиль живёт-пока он твой друг!
Автомобиль живёт-пока он твой друг!
-
Не в сети
- Освоившийся

- Сообщения: 322
- Зарегистрирован: Вс авг 28, 2011 12:54 pm
- Автомобиль: ГАЗ-24 1984год 402
- Откуда: ДОНБАСС
- Благодарил (а): 4 раза
- Поблагодарили: 2 раза
Re: Анкета Тарасевич
В передние двери.Northerner писал(а):Компонентные надо было на перед брать. Куда ставить будешь?
_________________
Здоровый сон - это признак отсутствия интернета, будильника и жены.
http://www.gaz-24.com/forum/viewtopic.php?f=28&t=76009

Здоровый сон - это признак отсутствия интернета, будильника и жены.
http://www.gaz-24.com/forum/viewtopic.php?f=28&t=76009

-
Не в сети
- Освоившийся

- Сообщения: 322
- Зарегистрирован: Вс авг 28, 2011 12:54 pm
- Автомобиль: ГАЗ-24 1984год 402
- Откуда: ДОНБАСС
- Благодарил (а): 4 раза
- Поблагодарили: 2 раза
Re: Анкета Тарасевич
Помните трещину на лонжероне?Ее уже нет!Сегодня заезжал к сварщику-20мин,120грн и порядок...
Сварщик за работой.

Готово.

Сварщик за работой.

Готово.

_________________
Здоровый сон - это признак отсутствия интернета, будильника и жены.
http://www.gaz-24.com/forum/viewtopic.php?f=28&t=76009

Здоровый сон - это признак отсутствия интернета, будильника и жены.
http://www.gaz-24.com/forum/viewtopic.php?f=28&t=76009

-
Не в сети
- Волговод со стажем

- Сообщения: 1232
- Зарегистрирован: Пт окт 16, 2009 20:27 pm
- Автомобиль: Suzuki SX4
- Откуда: Украина, Донецк -> Днепр -> Киев
- Благодарил (а): 46 раз
- Поблагодарили: 30 раз
Re: Анкета Тарасевич
Тарасевич,
место сварки надеюсь обработал?
место сварки надеюсь обработал?
_________________
Suzuki New SX4, 2018, 1.6i, AT, ГБО Zenit, Красный перламутр
Suzuki New SX4, 2018, 1.6i, AT, ГБО Zenit, Красный перламутр
-
Не в сети
- Освоившийся

- Сообщения: 322
- Зарегистрирован: Вс авг 28, 2011 12:54 pm
- Автомобиль: ГАЗ-24 1984год 402
- Откуда: ДОНБАСС
- Благодарил (а): 4 раза
- Поблагодарили: 2 раза
Re: Анкета Тарасевич
Канечна,замастырил по полной! 
_________________
Здоровый сон - это признак отсутствия интернета, будильника и жены.
http://www.gaz-24.com/forum/viewtopic.php?f=28&t=76009

Здоровый сон - это признак отсутствия интернета, будильника и жены.
http://www.gaz-24.com/forum/viewtopic.php?f=28&t=76009

-
Не в сети
- Освоившийся

- Сообщения: 322
- Зарегистрирован: Вс авг 28, 2011 12:54 pm
- Автомобиль: ГАЗ-24 1984год 402
- Откуда: ДОНБАСС
- Благодарил (а): 4 раза
- Поблагодарили: 2 раза
Re: Анкета Тарасевич
Вчера заморочился с головным светом.
-- Ср фев 22, 2012 13:00 pm --
Получился более-менее бюджетный вариант с таким результатом.
Ближний свет.

Дальний.

-- Ср фев 22, 2012 13:00 pm --
Получился более-менее бюджетный вариант с таким результатом.
Ближний свет.

Дальний.

_________________
Здоровый сон - это признак отсутствия интернета, будильника и жены.
http://www.gaz-24.com/forum/viewtopic.php?f=28&t=76009

Здоровый сон - это признак отсутствия интернета, будильника и жены.
http://www.gaz-24.com/forum/viewtopic.php?f=28&t=76009

-
Не в сети
- Волговод со стажем

- Сообщения: 1321
- Зарегистрирован: Ср сен 06, 2006 19:57 pm
- Автомобиль: ГАЗ-24
- Откуда: Нижний Новгород
- Благодарил (а): 4 раза
- Поблагодарили: 39 раз
Re: Анкета Тарасевич
Хорошие лампочки. Светят лучше любой известной мне галогенки. (когда новые)
_________________
БЛДЖАД; НИШТЯКИ - ЗАПЧАСТИ, R - РАДИАЛЬНАЯ (ШИНА), А НЕ РАДИУС КОЛЕСА.
БЛДЖАД; НИШТЯКИ - ЗАПЧАСТИ, R - РАДИАЛЬНАЯ (ШИНА), А НЕ РАДИУС КОЛЕСА.
-
Не в сети
- Освоившийся

- Сообщения: 322
- Зарегистрирован: Вс авг 28, 2011 12:54 pm
- Автомобиль: ГАЗ-24 1984год 402
- Откуда: ДОНБАСС
- Благодарил (а): 4 раза
- Поблагодарили: 2 раза
Re: Анкета Тарасевич
_________________
Здоровый сон - это признак отсутствия интернета, будильника и жены.
http://www.gaz-24.com/forum/viewtopic.php?f=28&t=76009

Здоровый сон - это признак отсутствия интернета, будильника и жены.
http://www.gaz-24.com/forum/viewtopic.php?f=28&t=76009

-
Не в сети
- Освоившийся

- Сообщения: 448
- Зарегистрирован: Ср ноя 24, 2010 19:46 pm
- Автомобиль: ГАЗ 24 1982г.в.
- Откуда: Коми, г.Воркута
- Благодарил (а): 1 раз
- Поблагодарили: 20 раз
Re: Анкета Тарасевич
фотки хорошие,приятно видить с кем общяешься. Осторожнее на дорогах,зима в украине часто сюрпризы преподносит в виде гололёда и рыхлого скользкого снега. В московской области тоже красноармейск есть,но там чуть холоднее чем в донецкой области.
_________________
Автомобиль живёт-пока он твой друг!
Автомобиль живёт-пока он твой друг!
-
Не в сети
- Освоившийся

- Сообщения: 322
- Зарегистрирован: Вс авг 28, 2011 12:54 pm
- Автомобиль: ГАЗ-24 1984год 402
- Откуда: ДОНБАСС
- Благодарил (а): 4 раза
- Поблагодарили: 2 раза
Re: Анкета Тарасевич
BC-46 рулит!!!Но, все равно,спасибо за заботуNortherner писал(а):фотки хорошие,приятно видить с кем общяешься. Осторожнее на дорогах,зима в украине часто сюрпризы преподносит в виде гололёда и рыхлого скользкого снега. В московской области тоже красноармейск есть,но там чуть холоднее чем в донецкой области.
Кстате,в московском Красноармейске -35 было в этом году?
_________________
Здоровый сон - это признак отсутствия интернета, будильника и жены.
http://www.gaz-24.com/forum/viewtopic.php?f=28&t=76009

Здоровый сон - это признак отсутствия интернета, будильника и жены.
http://www.gaz-24.com/forum/viewtopic.php?f=28&t=76009

-
Не в сети
- Освоившийся

- Сообщения: 322
- Зарегистрирован: Вс авг 28, 2011 12:54 pm
- Автомобиль: ГАЗ-24 1984год 402
- Откуда: ДОНБАСС
- Благодарил (а): 4 раза
- Поблагодарили: 2 раза
Re: Анкета Тарасевич
Усим,доброго вэчора!Гы,спешу похвастаться!Сегодня,своей Ласточке сделал подарок в честь праздника...
Итак...Поехали...

-- Чт мар 08, 2012 23:57 pm --
Установлен...

-- Чт мар 08, 2012 23:58 pm --
Еще ракурс...

-- Пт мар 09, 2012 0:01 am --
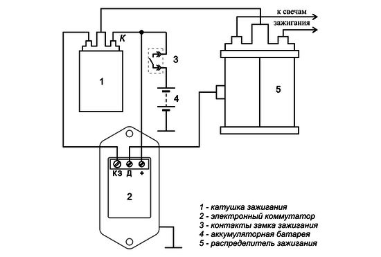
Ах,да,обратите внимание!Поставил БСЗ,причем САМОСТОЯТЕЛЬНО!!!!!!!!!!!!!!!!!!!!!!!!!!!!!!!!

-- Пт мар 09, 2012 0:13 am --
Подключал БСЗ по этой схемке:
-- Пт мар 09, 2012 0:29 am --
Первые ходовые испытания показали хорошую динамику,легкий пуск,отсутствие расколбаса на хх.Еще необходимо поднастроить зажигание,подрегулировать клапана,ну и так по мелочи...
Итак...Поехали...

-- Чт мар 08, 2012 23:57 pm --
Установлен...

-- Чт мар 08, 2012 23:58 pm --
Еще ракурс...

-- Пт мар 09, 2012 0:01 am --
Ах,да,обратите внимание!Поставил БСЗ,причем САМОСТОЯТЕЛЬНО!!!!!!!!!!!!!!!!!!!!!!!!!!!!!!!!

-- Пт мар 09, 2012 0:13 am --
Подключал БСЗ по этой схемке:
-- Пт мар 09, 2012 0:29 am --
Первые ходовые испытания показали хорошую динамику,легкий пуск,отсутствие расколбаса на хх.Еще необходимо поднастроить зажигание,подрегулировать клапана,ну и так по мелочи...
_________________
Здоровый сон - это признак отсутствия интернета, будильника и жены.
http://www.gaz-24.com/forum/viewtopic.php?f=28&t=76009

Здоровый сон - это признак отсутствия интернета, будильника и жены.
http://www.gaz-24.com/forum/viewtopic.php?f=28&t=76009

-
Не в сети
- Освоившийся

- Сообщения: 406
- Зарегистрирован: Чт июл 15, 2010 12:30 pm
- Автомобиль: ГАЗ 2410 1989г
- Откуда: Донецк
- Благодарил (а): 4 раза
- Поблагодарили: 7 раз
Re: Анкета Тарасевич
А какой это карб, и что до него стояло?
Зажигание хорошо бы страбаскопом настроить, тогда точно наверняка будет.
Зажигание хорошо бы страбаскопом настроить, тогда точно наверняка будет.
_________________
Моя Ласточка
Моя Ласточка
-
Не в сети
- Волговод со стажем

- Сообщения: 1232
- Зарегистрирован: Пт окт 16, 2009 20:27 pm
- Автомобиль: Suzuki SX4
- Откуда: Украина, Донецк -> Днепр -> Киев
- Благодарил (а): 46 раз
- Поблагодарили: 30 раз
Re: Анкета Тарасевич
Xander,
1. Карб 126 ГМ (генно-модифицированный
)
2. Стробоскоп не учитывает возможные люфты и состояние конкретного двигателя, т.е. по стробоскопу будет стоять правильное зажигание, а на самом деле окажется поздним или ранним.
1. Карб 126 ГМ (генно-модифицированный
2. Стробоскоп не учитывает возможные люфты и состояние конкретного двигателя, т.е. по стробоскопу будет стоять правильное зажигание, а на самом деле окажется поздним или ранним.
_________________
Suzuki New SX4, 2018, 1.6i, AT, ГБО Zenit, Красный перламутр
Suzuki New SX4, 2018, 1.6i, AT, ГБО Zenit, Красный перламутр
-
Не в сети
- Освоившийся

- Сообщения: 406
- Зарегистрирован: Чт июл 15, 2010 12:30 pm
- Автомобиль: ГАЗ 2410 1989г
- Откуда: Донецк
- Благодарил (а): 4 раза
- Поблагодарили: 7 раз
Re: Анкета Тарасевич
usatank
Всё равно, после установки по страбаскому легче плясать с настройкой, выставить метку, а потом уже по ощущениям подвинуть в нужную сторону.
Всё равно, после установки по страбаскому легче плясать с настройкой, выставить метку, а потом уже по ощущениям подвинуть в нужную сторону.
_________________
Моя Ласточка
Моя Ласточка
-
Не в сети
- Волговод со стажем

- Сообщения: 1232
- Зарегистрирован: Пт окт 16, 2009 20:27 pm
- Автомобиль: Suzuki SX4
- Откуда: Украина, Донецк -> Днепр -> Киев
- Благодарил (а): 46 раз
- Поблагодарили: 30 раз
Re: Анкета Тарасевич
Xander,
если у тебя стробоскоп уже есть, то да. а если нет: цены на стробоскопы стартуют от 200 грн, по словам продавцов, на нормальные стробоскопы от 600 грн. по-моему мнению такие деньги выбрасывать на "игрушку" не годится.
проще взять свечу, на нее одеть ВВ провод 1-го цилиндра, корпус свечи подключить к массе, включить зажигание и крутить трамблер до появления искры на свече - первоначальная установка окончена.
если у тебя стробоскоп уже есть, то да. а если нет: цены на стробоскопы стартуют от 200 грн, по словам продавцов, на нормальные стробоскопы от 600 грн. по-моему мнению такие деньги выбрасывать на "игрушку" не годится.
проще взять свечу, на нее одеть ВВ провод 1-го цилиндра, корпус свечи подключить к массе, включить зажигание и крутить трамблер до появления искры на свече - первоначальная установка окончена.
_________________
Suzuki New SX4, 2018, 1.6i, AT, ГБО Zenit, Красный перламутр
Suzuki New SX4, 2018, 1.6i, AT, ГБО Zenit, Красный перламутр
-
Не в сети
- Освоившийся

- Сообщения: 406
- Зарегистрирован: Чт июл 15, 2010 12:30 pm
- Автомобиль: ГАЗ 2410 1989г
- Откуда: Донецк
- Благодарил (а): 4 раза
- Поблагодарили: 7 раз
Re: Анкета Тарасевич
usatank
Либо можно подъехать к карбюраторщику,у них как правило такие игрушки есть и за 20-ку всё выставить;)
Либо можно подъехать к карбюраторщику,у них как правило такие игрушки есть и за 20-ку всё выставить;)
_________________
Моя Ласточка
Моя Ласточка
-
Не в сети
- Освоившийся

- Сообщения: 322
- Зарегистрирован: Вс авг 28, 2011 12:54 pm
- Автомобиль: ГАЗ-24 1984год 402
- Откуда: ДОНБАСС
- Благодарил (а): 4 раза
- Поблагодарили: 2 раза
Re: Анкета Тарасевич
Буду ехать по-любому.Хоть карб и новый,нужна регулировка качества смеси.За одно и зажигалку порегулируют.Xander писал(а):Либо можно подъехать к карбюраторщику,у них как правило такие игрушки есть и за 20-ку всё выставить;)
_________________
Здоровый сон - это признак отсутствия интернета, будильника и жены.
http://www.gaz-24.com/forum/viewtopic.php?f=28&t=76009

Здоровый сон - это признак отсутствия интернета, будильника и жены.
http://www.gaz-24.com/forum/viewtopic.php?f=28&t=76009

-
Не в сети
- Освоившийся

- Сообщения: 322
- Зарегистрирован: Вс авг 28, 2011 12:54 pm
- Автомобиль: ГАЗ-24 1984год 402
- Откуда: ДОНБАСС
- Благодарил (а): 4 раза
- Поблагодарили: 2 раза
Re: Анкета Тарасевич
Позавчера ездил к спецу,как и говорил.
1.Зажигание проверял по стробоскопу-регулировка не потребовалась,сказал,что я угадал.Как?Х.З....
2.Померяли компрессию,результат:1й и 3й котлы показали результат в 8,5 баллов,2й и 4й-8 баллов.Неплохо,но и не хорошо.
3.Отрегулировал карб-пропали провалы если тапка в пол,ведет себя,вроде,неплохо...
ИТОГО: Час времени и 100 грн.
1.Зажигание проверял по стробоскопу-регулировка не потребовалась,сказал,что я угадал.Как?Х.З....
2.Померяли компрессию,результат:1й и 3й котлы показали результат в 8,5 баллов,2й и 4й-8 баллов.Неплохо,но и не хорошо.
3.Отрегулировал карб-пропали провалы если тапка в пол,ведет себя,вроде,неплохо...
ИТОГО: Час времени и 100 грн.
_________________
Здоровый сон - это признак отсутствия интернета, будильника и жены.
http://www.gaz-24.com/forum/viewtopic.php?f=28&t=76009

Здоровый сон - это признак отсутствия интернета, будильника и жены.
http://www.gaz-24.com/forum/viewtopic.php?f=28&t=76009






